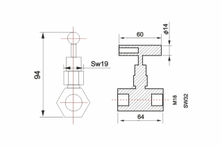
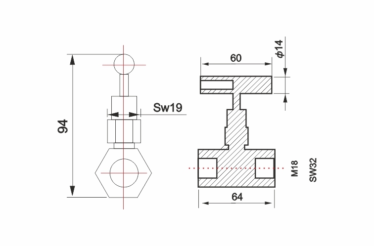
Клапан механическийКлапан механический
Клапан механический
Клапан механический
Код Модель
22501420 SOV700