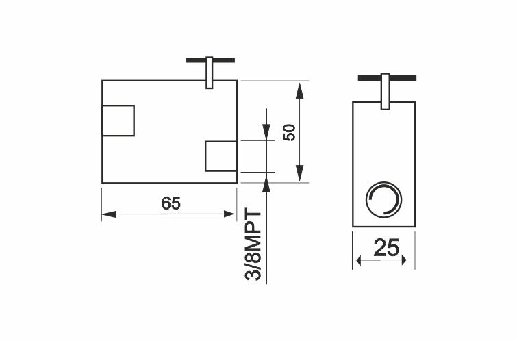
Safety Holding ValveSafety Holding Valve
Safety Holding Valve
Safety Holding Valve
Code Model
 22501428   HDL700